- Sie haben noch keine Artikel in Ihrem Warenkorb.
Startseite » Steuerungen » Bedrahtete / kabelgebundene Steuerungen » Motorsteuereinheiten / Motorsteuergeräte (MSE / MSG) » WAREMA MSE Kompakt 2 AP/REG #2016481 #2016482
WAREMA MSE Kompakt 2 AP/REG #2016481 #2016482
- Beschreibung
- Technische Daten
- Lieferumfang
- Bedienungsanleitung
- Technik Datenblatt
- Zusatzausstattung
- Herstellerangaben
- Kundenrezensionen
WAREMA MSE Kompakt 2 AP/REG
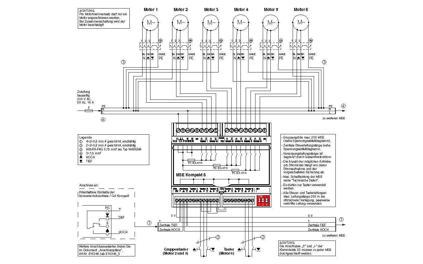
Motorsteuereinheit (MSE) zur Ansteuerung von bis zu zwei 230 V AC Sonnenschutzantrieben. Es findet eine direkte Ansteuerung von bis zu zwei 230 V- Sonnenschutzantrieben über eine Sonnenschutzzentrale und einen Taster vor Ort statt. Zudem kann man mehrere Motorsteuereinheiten zu einer Gruppe zusammenfassen und diese von einem Taster gemeinsam bedienen. Das Logikverhalten des Tasters ist zwischen Zeit- und Permanentlogik umschaltbar. Die Zeitlogik bewirkt, dass die MSE nach einer Betätigungszeit des Tasters von ca. 2 Sekunden in Selbsthaltung geht. Eine kürzere Betätigung des Tasters erzeugt einen Wendeimpuls (bei Lamellenprodukten), wobei eine Permanentlogik bewirkt, dass die MSE sofort bei Betätigung des Tasters in Selbsthaltung geht (für Stoffprodukte/Rollladen). Die Steuerspannung von 24V DC erzeugt ein integriertes Netzteil, was zur Ansteuerung der MSE über den Taster oder die Sonnenschutzzentrale benötigt wird.
Produktmerkmale
- direkte Ansteuerung von zwei 230 V Sonnenschutzantrieben über eine Sonnenschutzzentrale und einen Taster vor Ort
- mehrere Motorsteuereinheiten können zu einer Gruppe zusammengefasst und von einem Taster gemeinsam bedient werden
- Logikverhalten des Tasters zwischen Zeitlogik und Permanentlogik umschaltbar
- Zeitlogik bewirkt, dass die MSE nach einer Betätigungszeit des Tasters von ca. 2 Sekunden in Selbsthaltung geht. Eine kürzere Betätigung des Tasters erzeugt einen Wendeimpuls (bei Lamellenprodukten)
- Permanentlogik bewirkt, dass die MSE sofort bei Betätigung des Tasters in Selbsthaltung geht (für Stoffprodukte/Rollladen)
- Wechselbare Feinsicherung für Leitungsschutz
Artikelbezeichnung Artikelnummer
- MSE Kompakt 2 - AP 2016482 (Vorgänger 1002705)
- MSE Kompakt 2 - REG 2016481 (Vorgänger 1002641)
MSE Kompakt 2 REG
MSE Kompakt 2 AP
| Betriebsspannung | 230 V AC |
| Steuerspannung | 24 V DC |
| Ausgang | 2 x 230 V AC |
| Schaltleistung pro Ausgang | 500 VA bei 230 V AC cos φ = 0,6 |
| Logikverhalten | ZL, PL |
| Schutzart | IP 30 |
| Schutzklasse | II |
| Montageart | Reiheneinbau (REG) |
| Baugruppenbreite | 4 TE |
| Betriebsspannung | 230 V AC |
| Steuerspannung | 24 V DC |
| Ausgang | 2 X 230 V AC |
| Schaltleistung pro Ausgang | 500 VA bei 230 V AC cos φ = 0,6 |
| Logikverhalten | ZL, PL |
| Schutzart | IP 30 |
| Schutzklasse | I |
| Montageart | Aufputz (AP) |
| Breite x Höhe x Tiefe | 106 x 180 x 60 mm |
- 1X MSE Kompakt nach Wahl
- Bedienungsanleitung
- Bedienungsanleitung
Zugentlastungsset für AP-Gehäuse - 1002236
WAREMA Renkhoff SE
Hans-Wilhelm-Renkhoff-Straße 2
97828 Marktheidenfeld
E-Mail: info@warema.de
Tel.: +49 9391 200
Hans-Wilhelm-Renkhoff-Straße 2
97828 Marktheidenfeld
E-Mail: info@warema.de
Tel.: +49 9391 200
Leider sind noch keine Bewertungen vorhanden. Seien Sie der Erste, der das Produkt bewertet.
Für weitere Informationen besuchen Sie bitte die Homepage zu diesem Artikel.






