- Sie haben noch keine Artikel in Ihrem Warenkorb.
Startseite » Steuerungen » Bedrahtete / kabelgebundene Steuerungen » Motorsteuereinheiten / Motorsteuergeräte (MSE / MSG) » WAREMA Geschossansteuerung Kompakt AP/REG #1002628 #1002743
WAREMA Geschossansteuerung Kompakt AP/REG #1002628 #1002743
WAREMA Geschossansteuerung Kompakt AP/REG
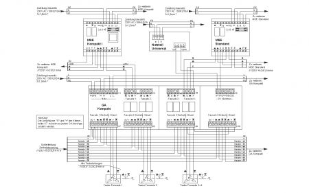
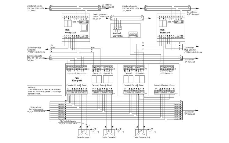
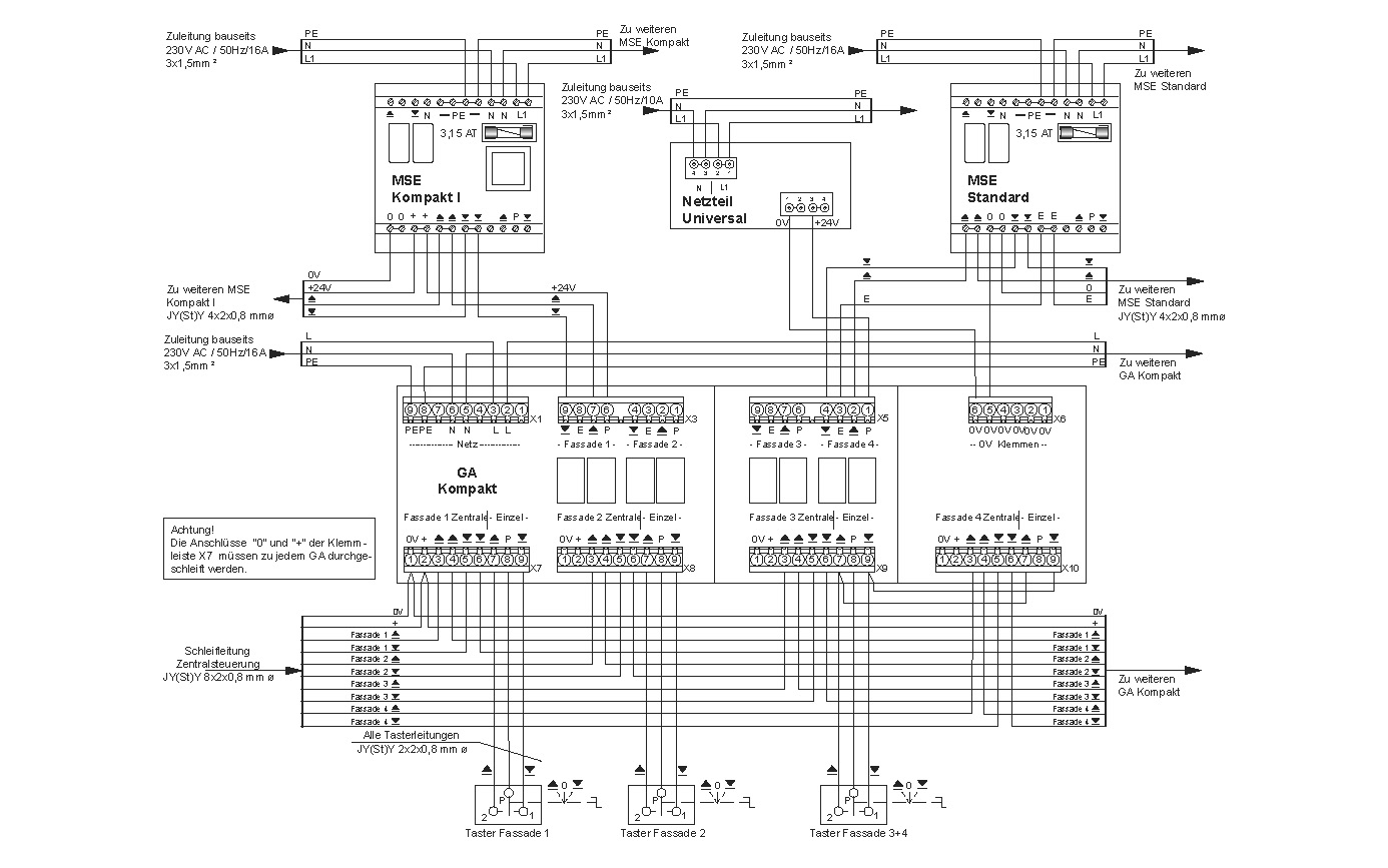
Geschossansteuerung zur Bedienung von Motorsteuereinheiten von bis zu vier Fassaden oder Gruppen über eine übergeordnete Zentrale oder fassadenweise auf einer Ebene durch Geschosstaster. Es ist eine Etagenbedienung von bis zu 4 Fassaden über anschließbare Jalousieschalter möglich. Eine Zeitlogik bewirkt, dass der Sonnenschutzbehang nach einer Betätigungszeit von ca. 2 Sekunden in Selbsthaltung geht. Eine kürzere Betätigung des Tasters bewirkt einen Wendeimpuls (bei Lamellenprodukten). Sie findet Einsatz als Potentialverstärker (galvanische Trennung bei Großanlagen ab 200 MSEs) oder als Gruppensteuergerät für bis zu 4 Gruppen. Sie besitzt 4 potentialfreie Ausgänge.
Funktionen
- Potenzialtrennung der Steuerleitung
- 4 Ausgänge (potenzialfrei)
- 4 Zentraleingänge
- 4 Eingänge für lokale Jalousietaster zur Fassadensteuerung
Technische Daten (produktbezogen)
- Betriebsspannung230 V AC
- Steuerspannung24 V DC
- Ausgang4 x potenzialfrei
- LogikverhaltenZeitlogik
Artikelbezeichnung - Artikelnummer
- im REG-Gehäuse1002 628
- im Aufputzgehäuse1002 743
Geschossansteuerung Kompakt REG
Geschossansteuerung Kompakt AP
| Betriebsspannung | 230 V AC |
| Steuerungsspannung | 24 V DC |
| Ausgang | 4 x potentialfrei |
| Schaltleistung pro Ausgang | 700 VA bei 230 V AC |
| Logikverhalten | ZL |
| Laufzeit hoch-tief | 3 Minuten |
| Schutzklasse | II |
| Montagebau | Reiheneinbau (REG) |
| Baugruppenbreite | 12 TE |
Geschossansteuerung Kompakt AP
| Betriebsspannung | 230 V AC |
| Steuerungsspannung | 24 V DC |
| Ausgang | 4 x potentialfrei |
| Schaltleistung pro Ausgang | 700 VA bei 230 V AC |
| Logikverhalten | ZL |
| Laufzeit hoch-tief | 3 Minuten |
| Schutzklasse | IP 30 |
| Schutzklasse | II |
| Montagebau | Aufputz AP |
| Maße | BxHxT (210x180x60) in mm |
WAREMA Renkhoff SE
Hans-Wilhelm-Renkhoff-Straße 2
97828 Marktheidenfeld
E-Mail: info@warema.de
Tel.: +49 9391 200
Hans-Wilhelm-Renkhoff-Straße 2
97828 Marktheidenfeld
E-Mail: info@warema.de
Tel.: +49 9391 200
Leider sind noch keine Bewertungen vorhanden. Seien Sie der Erste, der das Produkt bewertet.
Für weitere Informationen besuchen Sie bitte die Homepage zu diesem Artikel.






