- Sie haben noch keine Artikel in Ihrem Warenkorb.
Startseite » Steuerungen » Bedrahtete / kabelgebundene Steuerungen » WAREMA Omnexo » WAREMA Omnexo Wetterstation pro #2047095
WAREMA Omnexo Wetterstation pro #2047095
- Beschreibung
- Technische Daten
- Lieferumfang
- Downloads
- Funktionsprinzip
- Zusatzausstattung
- Herstellerangaben
- Kundenrezensionen
WAREMA Wetterstation pro
Die WAREMA Wetterstation pro erfasst präzise die aktuellen Wetterdaten. Ultraschallsensoren ermitteln Winddaten und Temperatur, optische Sensoren erfassen den Niederschlag. Die Wetterstation verzichtet auf bewegliche Komponenten und sichert dadurch einen zuverlässigen Betrieb. Der integrierte GPS-Empfänger übermittelt Orts- und Zeitdaten korrekt an die Zentrale.
Die Omnexo Wetterstation besticht nicht nur durch ihre Benutzerfreundlichkeit, sondern auch durch ihre außergewöhnliche Flexibilität und Leistungsfähigkeit.
► Einzigartig: Präzise Messwerte mit innovativer Sensortechnik: Ultraschallsensoren bestimmen Windrichtung, Windgeschwindigkeit und Temperatur mit hoher Genauigkeit. Optische Sensoren erfassen Niederschlag und Schnee.
► Komfortabel: Automatische Erfassung essenzieller Daten: Ein GPS Empfänger bestimmt die exakte Position der Wetterstation und empfängt Datum und Uhrzeit präzise - als Grundlage für die Automatikfunktionen der Omnexo Zentrale.
► Schützend: Mit den Daten der Messwertgeber schützen die Sicherheitsfunktionen der Omnexo Zentrale den Sonnenschutz vor Schäden durch Wind, Niederschlag oder Eis.
► Omnexo Studio auf YOUTUBE kennenlernen!
Produktmerkmale
- 4 digitale Photodioden zur Erfassung der Helligkeit in allen Himmelsrichtungen
- Messung von Wind über 4 Ultraschallsensoren
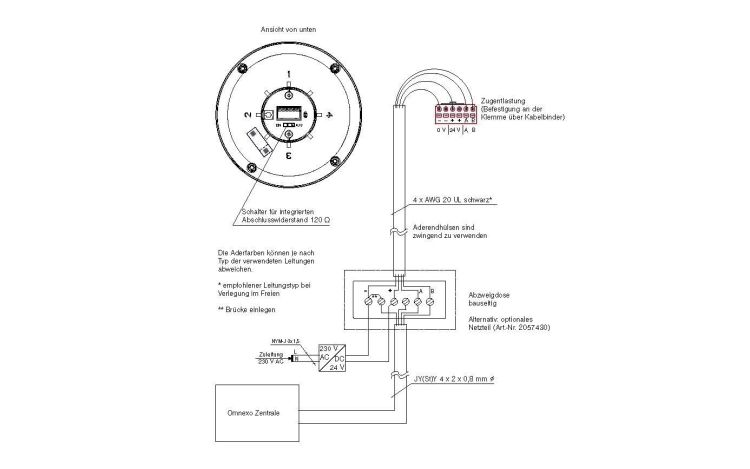
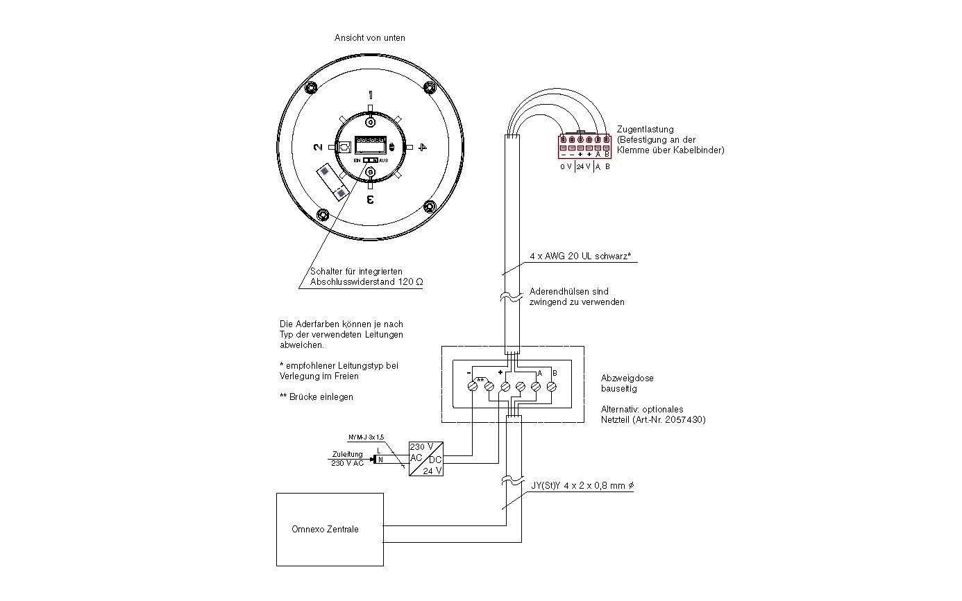
- Kommunikation über 4-adrige Busleitung
- bis zu 16 Wetterstationen pro Omnexo System möglich
- witterungsbeständige (für den Außeneinsatz geeignete) Leitung z. B. 4 x AWG 20 C UL (UV-beständig) erforderlich
- Erfassung von:
- Helligkeit
- Dämmerung
- Windgeschwindigkeit
- Windrichtung
- Niederschlag
- GPS
- Außentemperatur
- WAREMA eigenes Simplified-Speedscan-Verfahren übermittelt Seriennummern an Zentrale
- Historie wichtiger Ereignisse und der Wetterdaten
- integrierte User-Verwaltung
► HINWEIS: Netzteil erfoderlich!
| Betriebsspannung | 24 V DC |
| Schutzart | IP 44 |
| Schutzklasse | III |
| Montageart | Rohrmontage Wandmontage |
| Photo | 0 - 100 klx |
| Photo Erfassungsbereich | 360 ° |
| Dämmerung | 0 - 1000 lx |
| Wind | 0 - 25 m/s |
| Windrichtung | 0 - 360 ° |
| Niederschlagsüberwachung | Ja |
| Zeitgeber | GPS |
| Außentemperatur | -20 - 60 °C |
| Globalstrahlung | - 1300 W/m² |
| Abmessungen BxHxT mm | 145 x 120 x 145 |
- WAREMA Omnexo Wetterstation pro
- Bedienungsanleitung
| Netzteil Omnexo Wetterstation pro 24 V DC / 1,3 A AP - 2057430 | ![]() |
| Schaltnetzteil 24 V DC / 2,5 A REG - 2024680 | ![]() |
| Schaltnetzteil 24 V DC / 2,5 A AP - 2024681 | ![]() |
| Anschlussleitung 4 x AWG 20 C UL (UV-beständig) 3,0 m - 2058245 | ![]() |
| Anschlussleitung 4 x AWG 20 C UL (UV-beständig) 10,0 m - 2058246 | ![]() |
| Standrohre und Zubehör zur Messwertgebermontage | ![]() |
WAREMA Renkhoff SE
Hans-Wilhelm-Renkhoff-Straße 2
97828 Marktheidenfeld
E-Mail: info@warema.de
Tel.: +49 9391 200
Hans-Wilhelm-Renkhoff-Straße 2
97828 Marktheidenfeld
E-Mail: info@warema.de
Tel.: +49 9391 200
Leider sind noch keine Bewertungen vorhanden. Seien Sie der Erste, der das Produkt bewertet.
Für weitere Informationen besuchen Sie bitte die Homepage zu diesem Artikel.











