- Sie haben noch keine Artikel in Ihrem Warenkorb.
Startseite » Steuerungen » Bedrahtete / kabelgebundene Steuerungen » Motorsteuereinheiten / Motorsteuergeräte (MSE / MSG) » WAREMA MSE Piccolo ZL #1002416
WAREMA MSE Piccolo ZL #1002416
- Beschreibung
- Technische Daten
- Bedienungsanleitung
- Lieferumfang
- Technik Datenblatt
- Zusatzausstattung
- Herstellerangaben
- Kundenrezensionen
WAREMA MSE Piccolo ZL
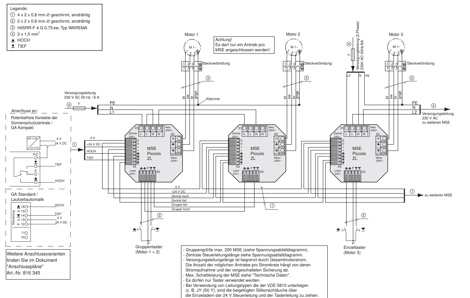
Die Motorsteuereinheit Piccolo ZL UP ist eine Motorsteuereinheit für die Unterputzmontage, die Fahrbefehle von Steuerzentralen an Sonnenschutzprodukte mit 230 V Antrieb übermittelt. Die Versorgungsspannung von 24 V DC erhält die Motorsteuereinheit über eine Steuerleitung direkt von einer Geschossansteuerung oder einem externen Netzteil. Das Logikverhalten des Schalters ist Zeitlogik. Die Zeitlogik bewirkt, dass die MSE nach einer Betätigungszeit des Tasters von ca. 2 Sekunden in Selbsthaltung geht. Eine kürzere Betätigung des Tasters erzeugt einen Wendeimpuls (bei Lamellenprodukten). Die Motorsteuereinheiten können Fassaden übergreifend über die Steuerleitung zu Gruppen zusammengefasst und mit einem Taster gemeinsam bedient werden.Die Motorsteuereinheit und die Zentrale werden über eine Steuerleitung verbunden. Die Steuerspannung von 24 V ermöglicht Ihnen die Verwendung einer Schwachstromleitung (J-Y(St)Y).Produktmerkmale
- potentialbehafteter Motorausgang
- Zentraleingang
- Eingang für lokalen Jalousietaster zur Einzel- oder Gruppenbedienung
- Lokale Bedienung mit Zeitlogik
- Gruppenbildung über Steuerleitung
Technische Daten (produktbezogen)
- Betriebsspannung: 230 V AC und 24 V DC
- Steuerspannung: 24 V DC
- Schaltleistung 230 V AC: max. 700 VA
- Schutzart: IP 20
- Logikverhalten: Zeitlogik
- Abmessungen (B x H x T): 48,5 x 48,5 x 24 mm
| Betriebsspannung | 230 V AC und 24 V DC |
| Steuerspannung | 24 V DC |
| Schaltleistung 230 V AC | max. 700 VA |
| Schutzart | IP 20 |
| Logikverhalten | Zeitlogik |
| Abmessungen (B x H x T) | 48,5 x 48,5 x 24 mm |
- Motorsteuergerät
- Bedienungsanleitung
| AP-Gehäuse (IP54) - 317030 | ![]() |
| Schaltnetzteil 24 V DC, 1,25 A UP - 2016370 | ![]() |
| Netzteil 24 V DC / 1,0 A AP - 629054 | ![]() |
| Schaltnetzteil 24 V DC / 2,5 A AP - 2024681 | ![]() |
| Schaltnetzteil 24 V DC / 2,5 A REG - | ![]() |
WAREMA Renkhoff SE
Hans-Wilhelm-Renkhoff-Straße 2
97828 Marktheidenfeld
E-Mail: info@warema.de
Tel.: +49 9391 200
Hans-Wilhelm-Renkhoff-Straße 2
97828 Marktheidenfeld
E-Mail: info@warema.de
Tel.: +49 9391 200
Leider sind noch keine Bewertungen vorhanden. Seien Sie der Erste, der das Produkt bewertet.
Für weitere Informationen besuchen Sie bitte die Homepage zu diesem Artikel.












