- Sie haben noch keine Artikel in Ihrem Warenkorb.
Startseite » Steuerungen » Bedrahtete / kabelgebundene Steuerungen » WAREMA Omnexo » WAREMA Omnexo Schaltaktor 4MPF AP/REG #2061353 #2061354
WAREMA Omnexo Schaltaktor 4MPF AP/REG #2061353 #2061354
- Beschreibung
- Technische Daten
- Lieferumfang
- Downloads
- Technik Datenblatt
- Zubehör
- Funktionsprinzip
- Herstellerangaben
- Kundenrezensionen
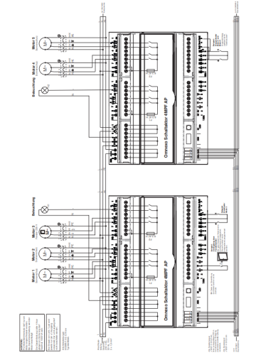
WAREMA Omnexo Schaltaktor 4MPF AP/REG - potentialfrei
Die WAREMA Omnexo Schaltaktoren bestechen nicht nur durch ihre Benutzerfreundlichkeit, sondern auch durch ihre außergewöhnliche Flexibilität und Leistungsfähigkeit. Mit dem potentialfreien Omnexo 4MPF-Aktor können unabhängig voneinander zentral und lokal Sonnenschutzantriebe und Verbraucher wie z. B. Beleuchtung angesteuert werden. Die kompakte Bauweise ermöglicht je nach Ihren Anforderungen die passende Montageart vom platzsparenden Reiheneinbau im Schaltschrank über Aufputz-Aktoren bis zu einer kompakten Version für die Unterputzdose.
► Leistungsstark: Über die Omnexo Aktoren können bis zu 500 Sonnenschutzprodukte einzeln oder 3.000 Produkte in Gruppen angesteuert werden.
► Flexibel: Die Schaltaktoren sind für unterschiedliche Einbausituationen verfügbar und bieten für für jede Montagesituation den richtigen Omnexo Schaltaktor: Aufputzgehäuse zur Montage in abgehängten Decken, für Reiheneinbau im Verteiler oder als Unterputz-Variante.
► Zeitsparend: Einfache Montage und schnelle Inbetriebnahme: Antriebe und Taster lassen sich einfach über Federkraftklemmen anschließen. Für die unterschiedlichen Sonnenschutzprodukte und deren Anwendungen sind werkseitig passende Parameter voreingestellt.
Entdecken Sie die vielfältigen Vorteile des innovativen Omnexo Steuerungssystems.
► Automatisiert: Die WAREMA Steuerungssysteme sorgen für Ihr perfektes Wohlfühlklima und das zu jeder Tageszeit. Mit den cleveren Steuerungssytemen fahren Ihre Sonnenschutzprodukte automatisch in die gewünschte Position.
► Umfassend: Lösungen für zahlreiche Steuerungsoptionen mit vielen Funktionsbausteinen. So sind Sie in jeder Hinsicht flexibel und alle Ihre Anforderungen werden erfüllt.
► Passend: Sie erhalten für jede Ihrer Anforderungen die passende Steuerungslösung.
► Omnexo Studio auf YOUTUBE kennenlernen!
Produktmerkmale
- Ansteuerung von Sonnenschutzantrieben und Verbrauchern (z. B. Beleuchtung) über 4 potentialfreie Schaltausgänge
- Benötigte Anschlussleitungen:
- 230 V Zuleitung zur Versorgung der angeschlossenen 230 V Sonnenschutzantriebe/Verbraucher oder 24 V Zuleitung zur Versorgung der angeschlossenen 24 V Sonnenschutzantriebe/Verbraucher (Klemmensatz beachten)
- REG-Aktor: 24 V Zuleitung von externem Netzteil zur Versorgung des Aktors
- AP-Aktor: 230 V Zuleitung zur Versorgung des Aktors
- 4-adrige Busleitung
- Anschluss herkömmlicher Taster zur örtlichen Einzel- und Gruppenbedienung (24 V)
- Verriegelungskontakte zum Sperren des Antriebs (z. B. bei geöffnetem Fenster)
- Bedienlogik der örtlichen Taster wird automatisch an die eingestellten Produkttypen angepasst
- WAREMA eigenes Simplified-Speedscan-Verfahren übermittelt Seriennummern an Zentrale
► HINWEIS: Netzteil erfoderlich!
| AP (2061354) | REG (2061353 | |
| Betriebsspannung | 230 V AC | 24 V DC |
| Frequenz | 50 Hz | 0 |
| Ausgang | 4 x potentialfrei | 4 x potentialfrei |
| Schaltleistung pro Ausgang | 500 VA bei 230 V AC | 500 VA bei 230 V AC |
| Schutzart | IP 30 | IP 20 |
| Schutzklasse | I | II |
| Montageart | Aufputz (AP) | Reiheneinbau (REG) |
| Abmessungen BxHxT mm | 158 x 180 x 60 | 6 TE |
- WAREMA Omnexo Schaltaktor Ihrer Wahl AP bzw. REG
- Bedienungsanleitung
| Zugentlastungsset für AP-Gehäuse - 1002236 | ![]() |
| Schaltnetzteil 24 V DC / 2,5 A AP - 2024681 | ![]() |
| Schaltnetzteil 24 V DC / 2,5 A REG - 2024680 | ![]() |
WAREMA Renkhoff SE
Hans-Wilhelm-Renkhoff-Straße 2
97828 Marktheidenfeld
E-Mail: info@warema.de
Tel.: +49 9391 200
Hans-Wilhelm-Renkhoff-Straße 2
97828 Marktheidenfeld
E-Mail: info@warema.de
Tel.: +49 9391 200
Leider sind noch keine Bewertungen vorhanden. Seien Sie der Erste, der das Produkt bewertet.
Für weitere Informationen besuchen Sie bitte die Homepage zu diesem Artikel.









