- Sie haben noch keine Artikel in Ihrem Warenkorb.
Startseite » Steuerungen » Bedrahtete / kabelgebundene Steuerungen » WAREMA Omnexo » WAREMA Omnexo Schaltaktor 1M230 UP #2047077
WAREMA Omnexo Schaltaktor 1M230 UP #2047077
- Beschreibung
- Technische Daten
- Lieferumfang
- Downloads
- Funktionsprinzip
- Herstellerangaben
- Kundenrezensionen
WAREMA Omnexo Schaltaktor 1M230 UP
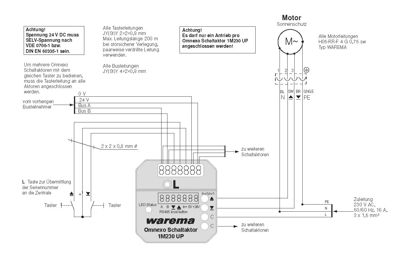
Die WAREMA Omnexo Schaltaktoren bestechen nicht nur durch ihre Benutzerfreundlichkeit, sondern auch durch ihre außergewöhnliche Flexibilität und Leistungsfähigkeit. Somit können unabhängig voneinander bis zu sechs 230 V AC-Sonnenschutzantriebe zentral bedient werden. Mit dem Omnexo 1M230 UP Unterputz-Aktor kann ein 230 V AC Sonnenschutzantrieb angesteuert werden. Der Schaltaktor wird mit 24 V DC versorgt. Die kompakte Bauweise ermöglicht die Montage in einer Unterputzdose.
► Leistungsstark: Der Omnexo Aktor 1M230 UP steuert einen 230 V Sonnenschutzantrieb an. Der Ausgang ist frei programmierbar.
► Flexibel: Durch seine kompakte Bauweise kann der Aktor in einer Unterputzdose montiert werden und ist somit platzsparend und unsichtbar.
► Unkompliziert: Das gesamte System ist für eine besonders einfache und komfortable Einrichtung und Bedienung ausgelegt.
Entdecken Sie die vielfältigen Vorteile des innovativen Omnexo Steuerungssystems.
► Automatisiert: Die WAREMA Steuerungssysteme sorgen für Ihr perfektes Wohlfühlklima und das zu jeder Tageszeit. Mit den cleveren Steuerungssytemen fahren Ihre Sonnenschutzprodukte automatisch in die gewünschte Position.
► Umfassend: Lösungen für zahlreiche Steuerungsoptionen mit vielen Funktionsbausteinen. So sind Sie in jeder Hinsicht flexibel und alle Ihre Anforderungen werden erfüllt.
► Passend: Sie erhalten für jede Ihrer Anforderungen die passende Steuerungslösung.
► Omnexo Studio auf YOUTUBE kennenlernen!
Produktmerkmale
- Ansteuerung von einem 230 V Sonnenschutzantrieb
- Benötigte Anschlussleitungen:
- 230 V Zuleitung zur Versorgung des angeschlossenen Sonnenschutzantriebs
- 4-adrige Busleitung
- Anschluss herkömmlicher Taster zur örtlichen Einzel- und Gruppenbedienung (24 V)
- Bedienlogik der örtlichen Taster wird automatisch an die eingestellten Produkttypen angepasst
- WAREMA eigenes Simplified-Speedscan-Verfahren übermittelt Seriennummern an Zentrale
► HINWEIS: Netzteil erfoderlich!
| Betriebsspannung | 24 V DC |
| Ausgang | 230 V AC |
| Schutzart | IP 20 |
| Schutzklasse | II |
| Montageart | Unterputz (UP) |
| Abmessungen BxHxT mm | 45 x 46 x 21 |
- WAREMA Omnexo Schaltaktor
- Bedienungsanleitung
WAREMA Renkhoff SE
Hans-Wilhelm-Renkhoff-Straße 2
97828 Marktheidenfeld
E-Mail: info@warema.de
Tel.: +49 9391 200
Hans-Wilhelm-Renkhoff-Straße 2
97828 Marktheidenfeld
E-Mail: info@warema.de
Tel.: +49 9391 200
Leider sind noch keine Bewertungen vorhanden. Seien Sie der Erste, der das Produkt bewertet.
Für weitere Informationen besuchen Sie bitte die Homepage zu diesem Artikel.






