- Sie haben noch keine Artikel in Ihrem Warenkorb.
Startseite » Steuerungen » Bedrahtete / kabelgebundene Steuerungen » Motorsteuereinheiten / Motorsteuergeräte (MSE / MSG) » WAREMA MSE Kompakt 1 UP/AP/REG #1002683 #1002764 #2016480 #2033530
WAREMA MSE Kompakt 1 UP/AP/REG #1002683 #1002764 #2016480 #2033530
- Beschreibung
- Technische Daten
- Technik Datenblatt
- Bedienungsanleitung
- Herstellerangaben
- Kundenrezensionen
WAREMA MSE Kompakt 1 AP/VT/UP
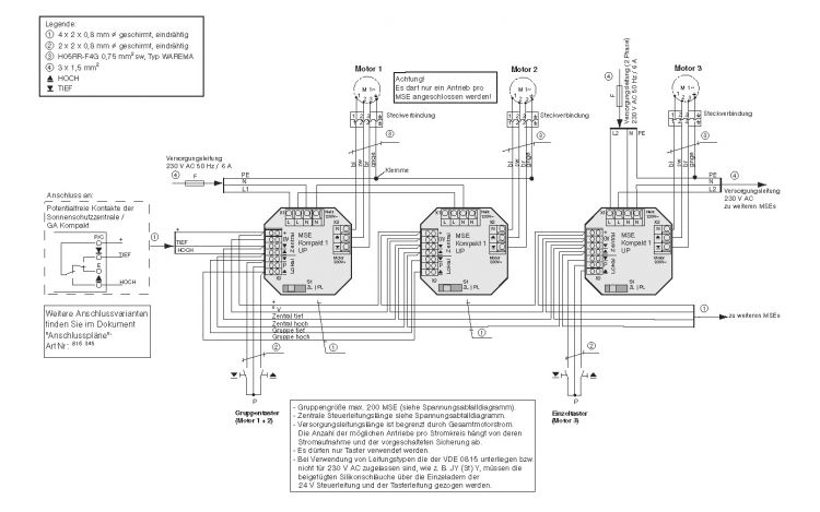
Motorsteuereinheit (MSE) zur Ansteuerung von einem 230 V AC Sonnenschutzantrieb. Es findet die direkte Ansteuerung eines Sonnenschutzantriebs über die Sonnenschutzzentrale oder einen Taster vor Ort statt. Zudem kann man mehrere Motorsteuereinheiten zu einer Gruppe zusammenfassen und diese von einem Taster gemeinsam bedienen. Des Weiteren ist das Logikverhalten des Tasters zwischen Zeit- und Permanentlogik umschaltbar. Die Zeitlogik bewirkt, dass die MSE nach einer Betätigungszeit des Tasters von ca. 2 Sekunden in Selbsthaltung geht. Eine kürzere Betätigung des Tasters erzeugt einen Wendeimpuls (bei Lamellenprodukten), wobei eine Permanentlogik bewirkt, dass die MSE sofort bei Betätigung des Tasters in Selbsthaltung geht (für Stoffprodukte/Rollladen). Die Steuerspannung von 24V DC erzeugt ein integriertes Netzteil, was zur Ansteuerung der MSE über den Taster oder die Sonnenschutzzentrale benötigt wird. Die AP- Variante dieses Produktes verfügt über einen Verriegelungseingang. Über den Verriegelungseingang kann der Sonnenschutzmotor gesperrt werden, sobald z.B. ein Fenster geöffnet ist.
Produktmerkmale
- direkte Ansteuerung eines Sonnenschutzantriebs über Sonnenschutzzentrale oder einen Taster vor Ort
- mehrere Motorsteuereinheiten können zu einer Gruppe zusammengefasst und von einem Taster gemeinsam bedient werden
- Logikverhalten des Tasters zwischen Zeitlogik und Permanentlogik umschaltbar
- Zeitlogik bewirkt, dass die MSE nach einer Betätigungszeit des Tasters von ca. 2 Sekunden in Selbsthaltung geht. Eine kürzere Betätigung des Tasters erzeugt einen Wendeimpuls (bei Lamellenprodukten)
- Permanentlogik bewirkt, dass die MSE sofort bei Betätigung des Tasters in Selbsthaltung geht (für Stoffprodukte/Rollladen)
- Die AP- und REG-Variante dieses Produktes verfügt über einen Verriegelungseingang. Über den Verriegelungseingang kann der Sonnenschutzmotor gesperrt werden, sobald z. B. ein Fenster geöffnet ist
- Wechselbare Feinsicherung für Leitungsschutz (AP/REG)
Artikelbezeichnung - Artikelnummer
- MSE Kompakt 1 UP #1002683
- MSE Kompakt 1 AP #1002764
- MSE Kompakt 1 REG #2016480 (Vorgänger 1002765)
- MSE Kompakt 1 PF REG #2033530
Betriebsspannung | 230 V AC |
Schaltleistung pro Antrieb | 500 VA bei 230 V AC / cos φ = 0,6 (REG, AP) 700 VA bei 230 V AC / cos φ = 0,6 (UP) |
Logikverhalten | Zeitlogik / Permanentlogik |
Schutzart | IP 30 (AP, PF REG & REG) IP 20 (UP) |
Schutzklasse | II |
Montage | Aufputz (AP) Unterputz (UP) Reiheneinbau (REG & PF REG) |
Abmessungen | 83 x 212 x 60 mm (AP) 48,5 x 48,5 x 24 mm (UP) 3 TE (REG & PF REG)) |
WAREMA Renkhoff SE
Hans-Wilhelm-Renkhoff-Straße 2
97828 Marktheidenfeld
E-Mail: info@warema.de
Tel.: +49 9391 200
Hans-Wilhelm-Renkhoff-Straße 2
97828 Marktheidenfeld
E-Mail: info@warema.de
Tel.: +49 9391 200
Leider sind noch keine Bewertungen vorhanden. Seien Sie der Erste, der das Produkt bewertet.
Für weitere Informationen besuchen Sie bitte die Homepage zu diesem Artikel.






