- Sie haben noch keine Artikel in Ihrem Warenkorb.
Startseite » Steuerungen » Funksteuerungen » WAREMA EWFS » WAREMA EWFS Inside PL für 24 V Sonnenschutzantriebe #1002886
WAREMA EWFS Inside PL für 24 V Sonnenschutzantriebe #1002886
- Beschreibung
- Technische Daten
- Lieferumfang
- Bedienungsanleitung
- Zusatzausstattung
- Herstellerangaben
- Kundenrezensionen
WAREMA EWFS Inside PL
! Bitte beachten Sie: EWFS- und WMS-Funksystem sind nicht kompatibel !
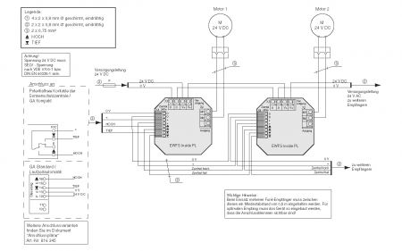
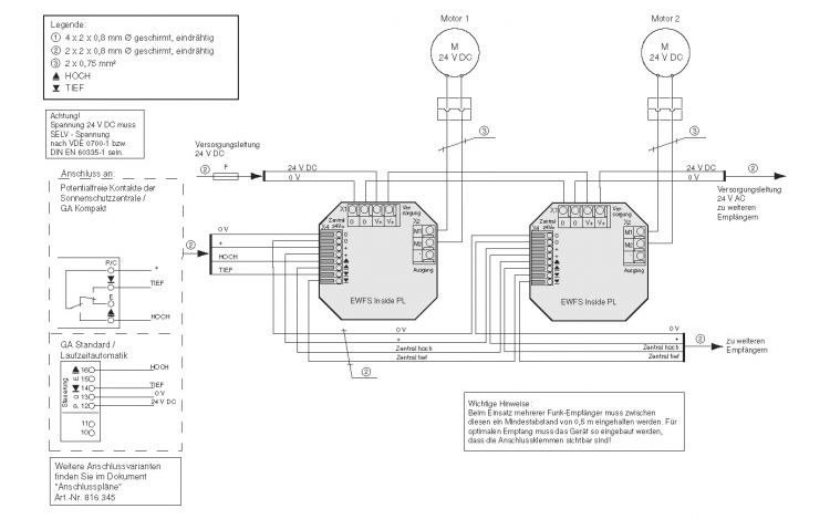
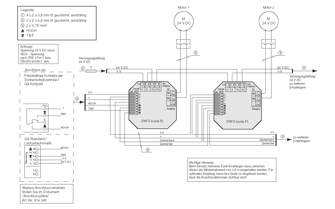
Der WAREMA Funk-Empfänger EWFS Inside PL dient zur direkten Ansteuerung von 24 V Sonnenschutzantrieben und kann Fahrbefehle von EWFS-kompatiblen Sendern empfangen.
Die Schaltkontakte sind potentialfrei ausgeführt. Die Versorgung des Empfängers mit 24 V DC erfolgt entweder aus der bereits vorhandenen Steuerleitung, über einen Geschossansteuerverteiler oder über ein Netzteil. Der Empfänger kann auch mit einer übergeordneten Sonnenschutzzentrale bedient werden. Durch seine kompakte Bauweise kann der Empfänger in einem Unterputz-Abzweigdose untergebracht werden.
Produktmerkmale - PL (Permanentlogik) zur Ansteuerung von Stoffprodukten
- zur Ansteuerung einer Verbund-Jalousie mit Motor DCD22E (Softwendung) einsetzbar
- potentialfreie Schaltkontakte
- Versorgung des Empfängers über 24 V DC Steuerleitung, Geschossansteuerung oder 24 V DC Netzteil
- dank kompakter Bauweise ist die Montage in einer Unterputzdosen möglich
- Ansteuerung über EWFS Sender oder
- Ansteuerung mit eine Sonnenschutzzentrale z.B. Wisotronic, über Zentraleingang (24 V DC) möglich
Dieses Logikverhalten eignet sich vorzugsweise für Stoffprodukte oder Rollläden: Der Sonnenschutz fährt nach Betätigung der Sendertaste HOCH bzw. TIEF in die entsprechende Richtung und geht sofort in Selbsthaltung. Die Taste kann sofort losgelassen werden und der Sonnenschutz fährt bis zum Ablauf der fest eingestellten Laufzeit von 3 Minuten. Um die Selbsthaltung zu löschen und den Motor zu stoppen, muss die dem Fahrbefehl entgegengesetzte Taste oder die Stopptaste kurz betätigt werden.
Hinweis:
Netzteil oder Geschossansteuerung erforderlich!
| Betriebsspannung | 24 V DC |
| Ausgang | 24 V DC |
| Schaltleistung pro Ausgang | max. 3A / 72W |
| Sendefrequenz | 433,92 MHz |
| Logikverhalten | PL |
| Laufzeit hoch-tief | 3 Minuten |
| Schutzgrad (IP) | IP 20 |
| Schutzklasse | II |
| Montageart | Unterputz (UP) |
| Maße (mm) | 49 x 49 x 30 mm (B x H x T) |
- WAREMA EWFS Inside PL UP
- Bedienungsanleitung
| WAREMA Schaltnetzteil 24 V DC, 1,25 A UP - (2016370) | ![]() |
| WAREMA Netzteil 24 V DC / 1,0 A AP - (629054) | ![]() |
| WAREMA Schaltnetzteil 24 V DC / 2,5 A AP - (2024681) | ![]() |
| WAREMA Schaltnetzteil 24 V DC / 2,5 A REG - (2024680) | ![]() |
| WAREMA Geschossansteuerung Standard AP - (1002253) | ![]() |
| AP-Gehäuse (IP54) - (317030) | ![]() |
WAREMA Renkhoff SE
Hans-Wilhelm-Renkhoff-Straße 2
97828 Marktheidenfeld
E-Mail: info@warema.de
Tel.: +49 9391 200
Hans-Wilhelm-Renkhoff-Straße 2
97828 Marktheidenfeld
E-Mail: info@warema.de
Tel.: +49 9391 200
Leider sind noch keine Bewertungen vorhanden. Seien Sie der Erste, der das Produkt bewertet.












