- Sie haben noch keine Artikel in Ihrem Warenkorb.
Startseite » Steuerungen » Bedrahtete / kabelgebundene Steuerungen » Motorsteuereinheiten / Motorsteuergeräte (MSE / MSG) » WAREMA Trennrelais UP #1002417
WAREMA Trennrelais UP #1002417
WAREMA Trennrelais UP
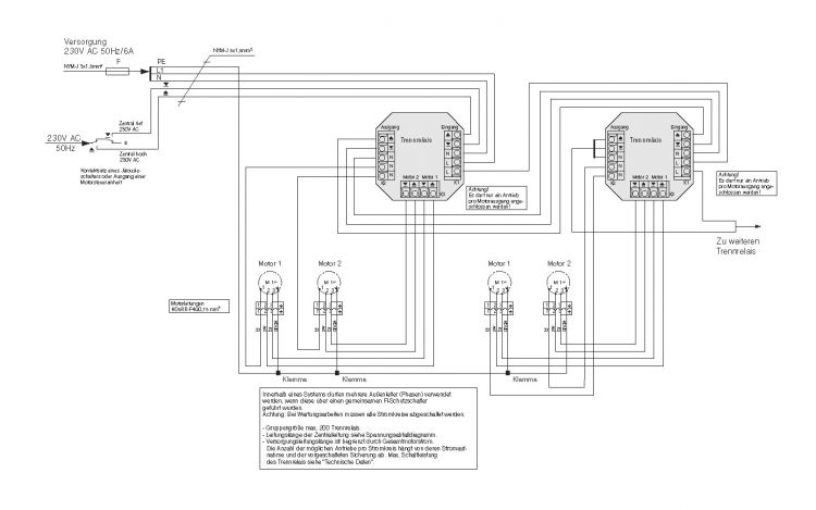
Das WAREMA Trennrelais UP dient der sicheren elektrischen Trennung zwischen Steuerleitungen und Motorantrieben in Sonnenschutzsystemen. Es schützt Steuerungen und Motoren vor gegenseitiger Beeinflussung und ermöglicht so den Betrieb mehrerer Antriebe oder Steuerstellen in einer Installation, ohne dass Rückströme entstehen.
Dank seiner kompakten Unterputz-Bauform (UP) lässt sich das Relais dezent in Schalterdosen oder Unterputzgehäusen verbauen und eignet sich ideal für den Einsatz in Wohn- und Gewerbegebäuden. Das Trennrelais ist besonders für WAREMA Steuergeräte und 230 V Motorantriebe konzipiert und sorgt für einen zuverlässigen, langlebigen und sicheren Betrieb.
Produktvorteile
- Galvanische Trennung zwischen Steuerung und Antrieb
- Schutz vor gegenseitiger Beeinflussung von Steuerleitungen
- Erhöhte Betriebssicherheit für Steuerungen und Motoren
- Unterputz-Ausführung (UP) – platzsparende Installation
- Ideal für Mehrfachsteuerungen oder Gruppenanwendungen
- Kompatibel mit allen WAREMA Steuer- und Automationssystemen
| Merkmal | Details |
|---|---|
| Artikelnummer | 1002417 |
| Funktion | Elektrische Trennung zwischen Steuerleitung und Antrieb |
| Versorgungsspannung | 230 V AC, 50 Hz |
| Schaltleistung | max. 4 A (induktiv) |
| Montageart | Unterputz (UP) |
| Schutzart | IP20 |
| Gehäusematerial | Kunststoff |
| Betriebstemperatur | 0 °C – +45 °C |
| Kompatibilität | Alle 230 V WAREMA Steuerungen und Motorantriebe |
| Einsatzbereich | Innenbereich, Schalterdose oder Unterputzgehäuse |
-
WAREMA Trennrelais UP (1002417)
-
Installations- und Anschlussanleitung
WAREMA Renkhoff SE
Hans-Wilhelm-Renkhoff-Straße 2
97828 Marktheidenfeld
E-Mail: info@warema.de
Tel.: +49 9391 200
Hans-Wilhelm-Renkhoff-Straße 2
97828 Marktheidenfeld
E-Mail: info@warema.de
Tel.: +49 9391 200
Leider sind noch keine Bewertungen vorhanden. Seien Sie der Erste, der das Produkt bewertet.
Für weitere Informationen besuchen Sie bitte die Homepage zu diesem Artikel.






